摘要:
能源管理系统(EMS)正成为可再生能源领域研究的焦点,尤其在微电网(MG)中集成光伏太阳能系统、电池储能系统(BESS)及备用柴油发电机时。该系统基于供需平衡策略,对不同集成能源源进行调度控制、监测及管理,充分利用太阳能与BESS相关能源资源。EMS应用策略直接影响BESS的状态健康度(SOH),从而延长其剩余使用寿命(RUL)。本研究基于预测性人工神经网络(ANN)调度控制策略,在微电网中开发了智能能源管理系统(iEMS)。该系统通过实施6小时停电事件预测与非关键负载切除,有效提升了BESS的SOH精度(均方误差MAE=6.43%),实现性能优化。相较于传统EMS(系统健康度降至20%,停电累计达11,899小时),本方案将系统健康度维持在33%(提升45%),停电发生时长减少56%(-5203小时)。这证明该模型有效,其控制逻辑能在AI模型预测停电的关键时间段避免从BESS调度高负荷。

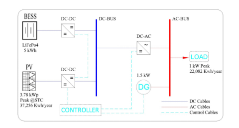
图1 电源/控制共享
文章简介:
由于可再生能源发电存在间歇性,针对中小型至大型微电网实施能源管理系统策略的研究备受关注。
多项研究聚焦于通过分布式发电设备的最优调度、太阳能辐照度预测及负荷曲线分析来建模微电网组件,旨在以较小环境影响实现经济效益最大化。
微电网(MG)主要分为交流耦合与直流耦合两类,由多种能源组件构成,为互联负荷供电。该系统作为可控功能单元,可运行于并网或离网模式。并网运行时,微电网通过公共耦合点(PCC)与电网交换电力,确保负荷与电源的供电可靠性。
研究者指出,直流耦合布局是性能最优的PCS方案,其年平均效率达97.02%。
能源管理系统优化的挑战包括:
需要兼顾复杂性、计算负荷与物理适用性的更精确模型;
具备精准预测能力的先进复杂预测技术;
能源管理系统性能的实时智能评估;
通信延迟与数据丢失对能源管理系统性能的影响(需考虑智能设备网络安全问题)。
此外,功率平衡与发电机输出限制是微电网优化约束中最常见的两项限制,因其体现了满足负荷需求的必要调度功率逻辑。其次关键的限制是蓄电池储能系统(BESS)的状态(SOC)与输出限制,因超限将缩短BESS寿命或导致损坏。
此外,作者提出基于模糊逻辑的智能能源管理系统,通过将BESS的SOC维持在目标值来延长电池寿命,从而提升微电网的系统可靠性和运行效率。
在诸多可能影响微电网运行的挑战中,BESS的SOH对微电网的稳定性和供电连续性至关重要。由于BESS状态健康度直接影响其性能,需设计并实施有效的EMS方案,以避免BESS状态健康度快速衰减,降低负载侧停电发生率。
因此,EMS需根据预设的负载与太阳能特性参数,向控制系统提供最优瞬时指令,以管理可用电源与负载间的功率流向。
尽管如此,整合基于可再生能源的微电网不仅能通过额外贡献的太阳能提升电力可持续性,更重要的是可实施智能能源管理系统(iEMS)来优化和控制电池储能系统(BESS)的调度,从而延长其剩余使用寿命(RUL)。
因此,本研究为“智能自主生命绿洲”(SOVA)开发了一套智能能源管理系统(iEMS),该系统采用直流并网模式连接至备用柴油发电机(DG),由光伏系统和电池储能系统(BESS)组成,可为客户提供充电、互联网通信、水泵驱动等多项功能。除生产电能与热能外,SOVA微电网还将作为电动汽车(共享或租赁)的充电站点,并提供电信、互联网、卫生设施等基础服务,以及生活空间必需的负荷(供暖、热水、制冷等)。该系统还可集成温室,生产满足当地需求的蔬果,或提供黎巴嫩当前亟需的各类服务。将人工神经网络引入传统能源管理系统旨在发挥人工智能在预测系统未来行为方面的卓越性能。事实上,人工神经网络能够基于系统历史数据和用户行为模式预测停电发生概率。若不采用人工智能模型,停电概率的估算将极为复杂。
文章第2节描述微电网控制策略;第3节阐述基于设定值约束的SOVA调度策略框架;第4节阐释SOVA能源管理系统控制策略;第5节介绍人工神经网络的实现方案,以及能源管理系统向智能能源管理系统的迁移过程,随后进行仿真分析、结果呈现与解读。
文章结论:
本研究通过开发新型智能能源管理系统(iEMS),显著提升了电池储能系统(BESS)的状态健康度(SOH)。由传统能源管理系统向基于预测性(人工神经网络)控制调度策略的高效精准智能iEMS(均方误差MAE=6.43%)的转变,通过实施6小时停电事件预测与非关键负荷切除策略,使BESS的SOH优化提升达45%。智能EMS将蓄电池健康度维持在约33%,并使停电发生率降低56%(减少5203小时),而传统EMS系统中蓄电池健康度降至23%,停电发生率达11,899小时。
这证明模型有效,其控制逻辑能在AI模型预测停电的关键时间段避免调度BESS的高负荷。因此,iEMS延长了BESS剩余使用寿命,并提供了避免因SOH劣化而增加BESS初始容量的可能性,从而规避了初始资本投入的增长。
最后,本研究需进一步探讨所提iEMS对微电网SOVA财务指标的影响,包括初始成本、运营成本及边际成本,以实现最低平准化能源成本,同时确保需求负荷侧服务的可持续连续性。
文章信息:
Development of an Intelligent Energy Management System to Improve BESS State of Health
Danny Khoury*, Nacer M'Sirdi, Tilda Akiki, Fabrice Aubepart, Aziz Naamane, Bechara Nehme
https://doi.org/10.1002/bte2.20250019